hjc888·黄金城(中国)有限公司官网
中文
|
English
搜索
首页
公司概况
返回
公司简介
文化理念
组织架构
发展历程
荣誉资质
企业宣传片
产品中心
返回
季铵盐单体
返回
烯丙基胺系列
返回
聚合物系列
返回
水处理化学品
返回
纺织印染助剂
返回
造纸助剂
返回
油田助剂
返回
日化助剂
返回
溶剂类
返回
新闻中心
返回
公司新闻
公示公告
行业新闻
子公司
返回
山东HJC888黄金城化工
山东聚发生物科技
山东聚发商贸
山东大格局新材料
济南办事处
人才招聘
返回
社会招聘
校园招聘
HJC888黄金城
返回
销售网络
人事招聘
意见反馈
首页
公司概况
返回
公司简介
文化理念
组织架构
发展历程
荣誉资质
企业宣传片
产品中心
返回
季铵盐单体
返回
烯丙基胺系列
返回
聚合物系列
返回
水处理化学品
返回
纺织印染助剂
返回
造纸助剂
返回
油田助剂
返回
日化助剂
返回
溶剂类
返回
新闻中心
返回
公司新闻
公示公告
行业新闻
子公司
返回
山东HJC888黄金城化工
山东聚发生物科技
山东聚发商贸
山东大格局新材料
济南办事处
人才招聘
返回
社会招聘
校园招聘
HJC888黄金城
返回
销售网络
人事招聘
意见反馈
中文
|
English
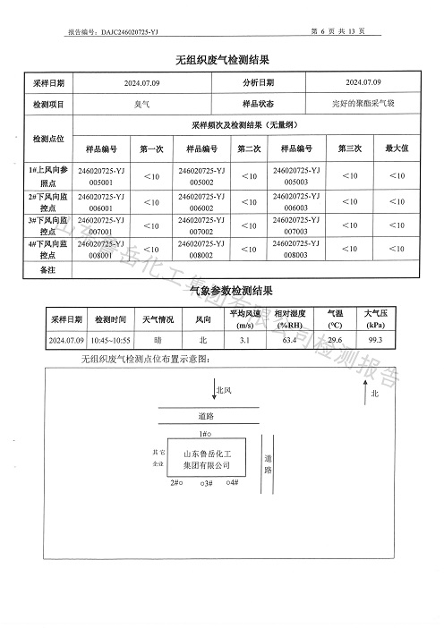
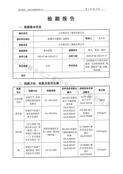
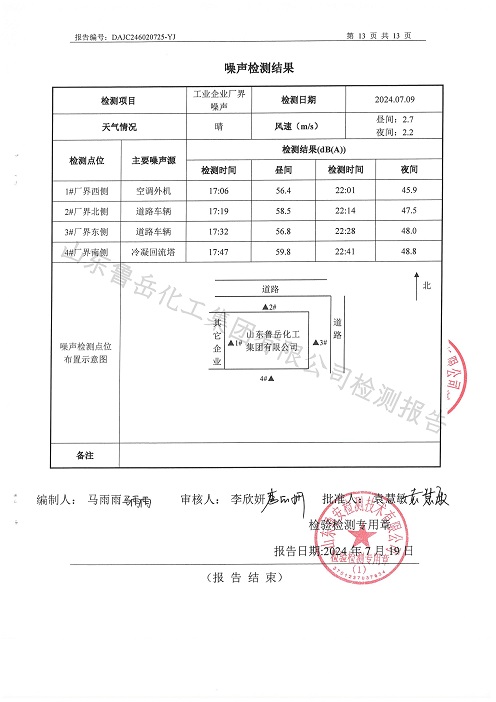
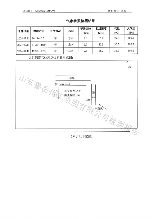
山东HJC888黄金城化工集团有限公司废气废水噪声检测报告
栏目:公示公告
发布时间:2024-10-14
分享到:
上一篇:
山东HJC888黄金城化工集团有限公司地下水检测报告
下一篇:
山东聚发生物科技有限公司枯水期地下水监测
公司概况
公司简介
文化理念
组织架构
发展历程
荣誉资质
企业宣传片
产品中心
季铵盐单体
烯丙基胺系列
聚合物系列
水处理化学品
纺织印染助剂
...
新闻中心
公司新闻
行业新闻
公示公告
子公司
山东HJC888黄金城化工
山东聚发生物科技
山东聚发商贸
山东大格局新材料
济南办事处
人才招聘
社会招聘
校园招聘
HJC888黄金城
销售网络
意见反馈
关注我们有惊喜
Copyright© 山东HJC888黄金城化工集团有限公司 版权所有 备案号:
鲁ICP备21194857号-1
Privacy Policy
鲁ICP备21194857号-1
HJC888黄金城